17+ Beta Evo Parts Diagram
Descarga El Despiece Y Manual Usuario Beta Evo 2t 2017 Trialworld

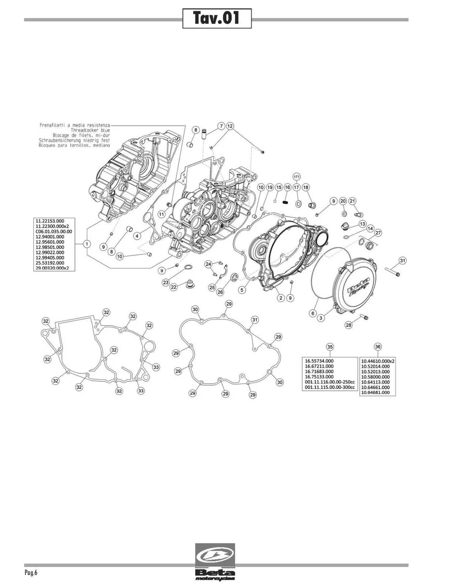
Your Source For Oem Beta Parts
Does The Autoblip Utilise The Slipper Clutch
Asg 17831 Scorpion Evo Part 17706 Asg 17831 Scorpion Evo
Beta Parts Manual Book Chassis Amp Engine 2017 Evo 4t 250 Amp 300 Ebay
Aa Promotes Small Intestine Epithelium Regeneration After 12 Gy Ir Download Scientific Diagram
60 Ghz Oxygen Band Precise Broadening And Central Frequencies Of Fine Structure Lines Absolute Absorption Profile At Atmospheric Pressure And Revision Of Mixing Coefficients Sciencedirect
Research Article Bjmp Org
Your Source For Oem Beta Parts
Viamoto Car Parts Mitsubishi Lancer Evo 7 8 Ct9a Parts Evo 7 8 Ct9a Clutch And Gearbox Parts
Beta Parts Manual Book Chassis Amp Engine 2017 Evo 4t 300 Factory Ebay
Beta Manuals And Info Beta Trial History
Transduction Of Brain By Herpes Simplex Virus Vectors Molecular Therapy
Low Dose Aspirin Treatment Attenuates Male Rat Salt Sensitive Hypertension Via Platelet Cyclooxygenase 1 And Complement Cascade Pathway Journal Of The American Heart Association
Smartphone Applications For Healthcare Professionals A Systematic Review In Three Platforms
Significantly Increased Expression Of B Glucuronidase In The Central Nervous System Of Mucopolysaccharidosis Type Vii Mice From The Latency Associated Transcript Promoter In A Nonpathogenic Herpes Simplex Virus Type 1 Vector Molecular Therapy
Frontiers Focusing On Mechanoregulation Axis In Fibrosis Sensing Transduction And Effecting
An Emerging Natural Antioxidant Therapy For Covid 19 Infection Patients Current And Future Directions Shrivastava 2023 Food Frontiers Wiley Online Library